
액화수소 탱크의 단열시스템 적용을 위한 진공 기술의 실험적 분석
This is an Open-Access article distributed under the terms of the Creative Commons Attribution Non-Commercial License(http://creativecommons.org/licenses/by-nc/3.0) which permits unrestricted non-commercial use, distribution, and reproduction in any medium, provided the original work is properly cited.
Abstract
This study aims to develop technological procedures for establishing a vacuum environment in the vacuum insulation systems of liquid hydrogen tanks. The insulation performance of such systems is highly influenced by the vacuum level, necessitating experiments across low, medium, and high vacuum ranges. However, achieving a vacuum environment in the structural unit of a large thermal vacuum chamber poses significant challenges, particularly due to the impact of moisture outgassing under high vacuum conditions. To address these issues, experiments were conducted to optimize the vacuum environment and enhance the evacuation rate, successfully achieving target performance up to the ultra-high vacuum level. Based on these findings, a vacuum heating system was introduced to facilitate the creation of high vacuum environments, and a comprehensive vacuum technology procedure was established.
Keywords:
Vacuum composite insulation system, Outgassing gas, Purgent, Bake-out키워드:
진공 복합 단열시스템, 탈가스, 퍼징 가스, 가열1. 서 론
화석 연료 사용에 따른 온실가스 배출량 증가와 함께 기후변화로 인한 재앙이 빈번하게 발생하고 있는 시점에서, 전 세계적으로 탄소 중립 연료 활용을 위한 기술개발이 활발하게 진행되고 있다. 과거 중유 계열의 선박 연료가 많이 활용되었으나, 최근에는 액화천연가스(Liquefied Natural Gas, LNG) 등 친환경 연료로 분류되는 오염물질 배출이 적은 연료로 전환이 이루어지고 있으며, 향후 암모니아, 수소 등 무탄소 연료로의 전환 또한 전망되고 있다. 이 과정에서 IMO(International Maritime Organization)는 새로운 저인화점 연료의 적용을 위해 IGF code(international code of safety for ships using gases or other low-flashpoint fuels)를 도입하고, 대체 연료를 사용하기 위한 규격을 제시하기도 했다. 105차 MSC(Maritime Safety Committee)에서 탄소 중립 연료 및 동력원 중 하나인 액체수소 및 수소연료전지 사용을 위해 관련 표준 규정이 제안되었으며, 2024년 9월 지침 완성 및 2025년 1월 발표공표를 앞두고 있다 (IMO, 2022; Wingrove, 2023).
국제해사기구의 규정 제시를 필두로, 다양한 국가 선급 협회 또한 해상에서의 연료전지 사용 및 액화수소 저장시스템의 표준화에 중점을 두고 있다. KR(Korean Register)에서는 2022년도에 해상 연료전지에 대한 가이드 라인을 제시했고, DNV GL(Det Norske Veritas and Germanischer Lloyd), NK(Nippon Kaiji kyokai), ABS(American Bureau of Shipping) 등의 국제 선급 협회 또한 수소 연료를 기반으로 하는 저장시스템 규정을 2021년부터 계속적으로 업데이트하고 있다 (KR, 2022; DNV GL, 2021; NK, 2024; ABS, 2023).
수소를 선박 연료로 사용하기 위한 규제가 함께 개정되고 있는 만큼 영하 253℃에서 저장이 필수적인 액화수소의 단열 기술 중요성 또한 증대되고 있다. 영하 163℃의 LNG를 저장하는 방식과는 달리 액체수소는 영하 253℃라는 온도 및 제한된 공간에서의 단열성능 확대가 요구되어 진공단열을 적용하는 것이 액화수소를 대상으로 우수한 단열 방법이라고 제시되고 있다. 진공 단열 기술은 다양한 단열 재료들과 진공 기술을 결합하여, 저진공, 중진공, 고진공에 따른 단열성능 향상을 도모하는 것이 중요한데, 이는 진공도에 의존하여 단열성능의 변화가 크기 때문이다. 반도체 및 기타 진공 산업에서 일반적으로 적용되는 진공 등급은 다음과 같이 정의된다: 저진공(low vacuum, LV)은 760 torr에서 1 torr 범위, 중진공(medium vacuum, MV)은 1 torr에서 1E-3 torr, 고진공(high vacuum, HV)은 1E-3 torr에서 1E-7 torr 범위에 해당한다 (Chaudhari and Desai, 2011).
한편, 극저온 단열시스템 분야에서는 일반적인 진공 등급의 정의와는 다소 차이가 있는 분류 기준이 사용된다. 본 연구에서는 단열성능평가연구에서 활용된 Table 1의 기준을 적용하였으며, 이에 따르면 고진공(high vacuum, HV)은 1E-3 torr 미만, 중진공(soft vacuum, SV)은 약 1E-1 torr 수준, 저진공 및 대기압(no vacuum, NV)은 약 760 torr 수준으로 구분된다. 특히, Table 1에 제시된 CVP(cold vacuum pressure)는 단열시스템이 쿨다운(cool down) 이후 도달하는 정상 진공 상태를 의미한다.
Table 1은 과거 연구를 통해 도출된 다양한 단열소재의 진공도를 정리한 것으로, 단열 재료들과 진공 기술이 접목되면 진공도는 단열성능 향상에 많은 영향을 끼치게 되는 것을 보여준다. 다양한 진공 범위에서 유리섬유, 에어로겔, 다층단열재 등 다양한 단열 재료가 적용되며, 진공도가 고진공으로 갈수록 단열성능이 좋아지는 것을 확인할 수 있다. 하지만 진공 환경과 다양한 단열 재료를 결합하게 되면, 재료마다 상이한 특징이 있겠지만, 일반적으로 재료의 수분과 방출 가스로 인해 진공 환경을 조성하기 어렵다 (James, 2021). 더욱이, 구조 단위 진공 챔버의 진공도를 향상하는 것은 재료 단위의 소형 진공 챔버의 진공도를 유지하는 것보다 상당히 어려운 기술로 분류된다. 이는, 탱크 자체에 흡착될 수 있는 먼지와 단열 진공 챔버의 구조 상 블랑켓 및 글라스 파이버 소재와 같은 미세입자가 있는 단열 재료에 대한 진공 챔버의 진공도를 향상시키는 것이 기술적으로 난이도가 매우 높기 때문이다. 또한 액화수소탱크에 적용하기 위한 진공 단열소재를 검증하기 위한 열진공챔버이기 때문에, 단열재 교체가 빈번하게 일어난다는 점에서 챔버 내부에 수분으로 인한 오염 또한 불가피하다고 할 수 있다 (O'Hanlon, 2003).
본 논문에서는 액화수소 탱크 적용을 위한 진공단열에서 가장 중요한 부분인 저진공, 중진공, 고진공, 초고진공 환경을 조성하는 기술에 대해 진공 설계부터 진공 환경 조성을 위한 연구 수행 내용에 대해 분석하였으며, 상온 진공부터 극저온에서의 진공도까지 데이터를 획득하여, 개발한 액화수소 탱크의 진공단열에 대한 구조 건전성을 증명하고자 하였다.
2. 시험 장비
진공단열 챔버의 구조 건전성을 검증하기 위해서는 진공 누출이 발생하는 원인을 파악하는 것이 중요하여, 물리적 진공 누출을 제어하는 것이 선행되어야 한다. 본 검사를 통해, 진공 용기에 생긴 구멍 및 연결 부위를 통해 유체의 압력 차 또는 농도 차에 의해 들어가거나 나오는 현상을 일차적으로 방지하게 된다. 다음으로, 수분 영향성을 제어하는 것이 필요하다. 재료 자체의 탈가스를 제거하는 것도 중요한 요소이나, 재료에 흡착된 수분의 영향이 고진공에서도 지대한 영향을 미치기 때문에, 초고진공의 환경 조성을 위해서는 수분 영향을 제거하는 것이 중요한 고려 대상으로 분류된다 (Redhead, 1968).
2.1 액화수소탱크의 진공단열 시스템 구성
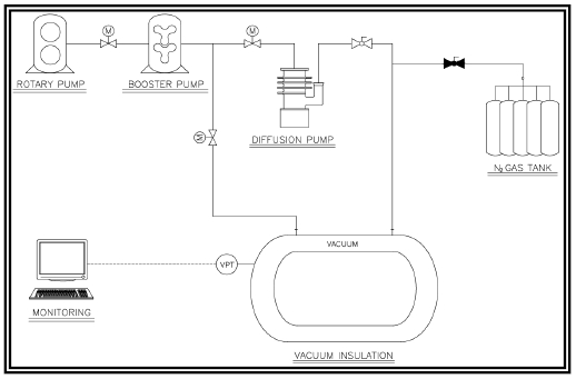
Fig. 1에 나타낸 것과 같이 액화수소탱크 진공단열 시스템 영역을 진공이 형성된 한정된 공간인 진공 챔버로 설정하였다. 진공 챔버 내부의 기체 분자 수를 줄이는 방법으로 진공상태를 만들기 위하여 진공펌프를 사용하였으며, 로터리 펌프, 부스터 펌프, 확산펌프를 이용하였다. 1차적으로 저진공 환경을 구현하기 위해 1차 펌프로 로터리 펌프를 사용하였고, 이후 진공 낮추는 속도를 증가시키기 위한 부스터 펌프를 사용하였다. 최종적으로 고진공 환경을 조성하기 위해 확산펌프를 사용하였다. Shim 저진공 게이지와 Pirani 고진공 게이지를 활용하여, 챔버 내부 진공도를 계측하였으며, 극저온 진공 단열시스템의 온도를 측정하기 위해 K-type 열전대를 활용하였다.
Fig. 2는 진공단열 시스템의 탈가스 제거를 위한 열원 제거 목적의 열선을 설치한 모습으로 진공단열 시스템의 전체 온도를 높이기 위해 알루미늄 포일로 감싼 것을 확인할 수 있다. 해당 시스템 구성 장비들을 통해 진공단열 시스템의 건전성을 확인하기 위한 물리적 진공 누출과 가상 누출을 제어하기 위한 실험 기반을 확보하였다.
2.2 액화수소 탱크의 물리적 진공 누출
액화수소 탱크의 진공단열을 위해서는 물리적인 진공 풀림이 발생하지 않도록 하는 것이 매우 중요하다. 특히나, 단열재를 쉽게 교체하기 위해 본 설비에는 좌측, 우측 탱크의 개폐구가 기계적 결합으로 되어 있으며, 내부 탱크와 외부 탱크가 연결되는 부분 또한, 기계적 결합으로 되어 있다. 이러한 기계적 결합부의 경우, 진공 씰링 형상이나 재료 형태가 저진공 및 중진공에 영향을 주게 된다. 따라서, 본 영역들에서 발생할 수 있는 진공 누설을 확인하기 위하여, 헬륨 누출 시험을 진행하였다.
Fig. 3(a)는 헬륨 스프레이 프로브를 사용하여 헬륨을 표면에 분사하고 누출 여부를 확인하는 방법을 나타낸 것이며, Fig. 3(b)는 실험 부위를 밀폐한 공간에 헬륨을 주입하여 누출률을 확인하는 방식을 보여준다.
Fig. 4는 본 시험에서 사용된 장비인 VS Series Helium Mass Spectrometer Leak Detector(Agilent Technologies 社)를 나타낸 것이다. 본 장비를 이용하여 헬륨 누출시험 수행 결과 1E-10atm cc/sec(leak test 결과)으로 물리적 누출은 발생하지 않는 것으로 확인하였다.
3. 진공 실험
2절에서 액화수소 탱크의 단열시스템에 대한 물리적 누설이 없다는 건전성 확보를 기반으로, 가상 누출에 대한 영향성을 감소할 수 있는 방향을 분석하기 위해 본 실험을 진행하였다. 특히, 진공단열 시스템에서 탈가스 중 수분이 주요한 가스원이 되기 때문에 이에 대한 영향성 배제가 가장 중요하다. 따라서, 본 진공 실험에서는 수분에 오염된 진공단열 시스템의 진공 환경 조성을 위해 배기 시간을 단축하고, 진공도를 향상하기 위한 연구를 진행하였다.
Table 2는 실험 시나리오를 나타낸 것으로 진공단열 시스템 내부에 처음 대기압 환경 조성 시 주입하는 퍼징 유체를 공기, 불활성 가스, 뜨거운 불활성 가스로 나누어 실험을 수행하였다. 공기는 대기 중의 수분을 가지고 있으며, 불활성가스는 다른 화합물과 반응하지 않는 질소를 사용하였다. 또한, 질소가 비극성 기체로서 극성 기체의 제거를 돕고, 퍼징 후 진공 형성을 용이하게 한다고 알려져 있기 때문에 사용하였고, 비교군으로 공기를 사용하여, 두 퍼징 유체를 비교 분석하고자 하였다 (Kameya et al., 2014).
본 실험에서는 퍼징 유체로 공기와 질소를 각각 사용하였으며, 대기압 상태에서 시작하여 최저 진공도에 도달할 때까지를 하나의 사이클로 정의하여 시험을 수행하였다. 뜨거운 질소의 경우 히팅 과정이 필요하므로 시스템 가열과 뜨거운 불활성 가스 배기 사이클로 실험을 진행하였다.
Fig. 5는 뜨거운 질소 퍼징 과정을 나타낸 것으로, 17시간 동안의 시스템 가열 과정을 거쳐, 질소 배기 후 1시간 동안 유지하고 최저 진공도로 내리는 과정을 2번 진행했다. 이후, 외부 열원을 제거하고 최저 진공도를 확인하는 순서로 실험을 수행하였다. 뜨거운 질소 퍼징을 위한 온도 조건 설정은 60~80℃ 범위의 가열로 진공 환경에서 수분 제거를 효과적으로 하도록 하였고, 센서 및 단열재의 열적 안전성을 고려하여, 최소 65℃에서 최대 70℃의 온도로 설정하여, 실험을 진행하였다. 가열 시간(17시간)은 단열재 내부의 가스 제거와 균일한 온도 분포를 확보하기 위하여 해당 시간 동안 진공 챔버 가열을 진행하였다.
진공도 유지 시간(1시간)은 시스템의 누설 여부 확인 및 잔류 기체의 재흡착 가능성을 평가하기 위한 표준적인 방법으로 활용되며(ISO 21360-2, 2020), 실험의 신뢰성을 높이는 데 기여한다.
4. 진공 실험 결과 및 분석
본 장에서는 공기와 질소를 퍼징 유체로 사용하였을 때, 대기압에서 최저 진공도에 도달하기까지 1사이클 동안의 배기 속도를 비교 분석하였다. 그리고 뜨거운 질소를 퍼징 유체로 사용하는 실험은 두 차례의 뜨거운 질소 퍼징 사이클을 통해 배기속도와 최저 진공도를 확인하였다.
4.1 진공 배기에 따른 경향 분석
Fig. 6은 공기를 퍼징 유체로 사용하였을 때의 진공 압력을 나타낸 그래프로 시간에 따라 진공도가 대기압-중진공-고진공으로 변화하는 것을 확인할 수 있다. 대기압에서 중진공으로 진공도가 변화할 때와 중진공에서 고진공으로 변화할 때 진공 배기속도가 달라지는 것을 확인할 수 있는데, 이는 진공압력에 따른 유동 변화를 통해 확인할 수 있다. 대기압일 때는 점성유동(viscous flow), 대기압에서 중진공으로 진공도가 변화할 때는 전이유동(transitional flow) 또는 누센전이(knudsen flow), 그리고 고진공에서는 분자유동(molecular flow)의 흐름을 가진다. 대기압에서는 가스 입자의 평균자유행로(mean free path)가 원형 단면적을 가진 튜브의 단면 규격보다 매우 작아, 공기 입자들의 충돌 빈도가 높아지고 이에 따라 운동량과 에너지를 지속적으로 교환하게 된다. 이러한 현상으로, 진공 챔버 내부 잔존하는 공기는 연속체처럼 행동하게 되는 것이다. 또한, 대기압에서 중진공으로 변화할 때의 유동은 점성유동에서 분자유동으로 변화할 때의 유동 흐름을 보인다. 중진공에서 고진공으로 변화할 때는 공기의 평균자유행로가 원형튜브 단면 규격보다 커서, 공기 입자 간 충돌은 거의 일어나지 않고, 튜브 벽면에 무작위적으로 지그재그 형태의 모양을 그리는 단일 입자 운동을 한다. 이러한 유동 흐름에 의해 배기 속도의 차이가 발생하게 된다.
Fig. 7은 유동 특성에 따른 진공압력과 유동 컨덕턴스를 나타내는 것으로, 진공압력이 저하될수록 유동 컨덕턴스가 저하되는 것을 확인할 수 있다. 특히 오리피스의 길이가 길수록 본 영향은 더 커지며, 본 연구에서 적용된 진공 호스 또는 커넥터가 약 1m로, 고진공으로 갈수록 유동 컨덕턱스가 작아지는 것을 확인하였다.
Fig. 8과 식 (1)은 유동 컨덕턴스와 배기 속도의 관계를 나타낸 것으로, Q는 펌프의 유량(throughput), C는 컨덕턴스, P와 P*는 진공 챔버와 진공펌프의 압력, S와 S*는 진공 챔버와 진공펌프의 배기 속도를 나타낸다 (Senda, 2010).
| (1) |
컨덕턴스가 증가할수록 배기 속도도 향상되며, 이는 진공압력 및 컨덕턴스의 변화에 따라 전체 시스템의 배기 성능이 달라질 수 있음을 시사 한다. 대기압에서 저진공으로 변화할 때, 저진공에서 중진공으로 변화할 때, 중진공에서 고진공으로 변화할 때 각각 진공 배기 시간은 1.2시간, 5시간, 23시간으로 진공도가 낮아질수록 진공 속도가 급격히 느려지는 것을 확인할 수 있었다. 이는 앞서 설명한 점성유동에서 분자유동의 변화에 따른 진공 배기 속도 감소로 판단된다. 진공도에 따른 진공 배기 속도에 대한 분석을 수행하고, 이어서 퍼징 유체에 따른 경향 분석을 위한 실험을 수행하였다.
Fig. 9는 공기, 질소를 퍼징 유체로 사용하였을 때의 진공 압력을 나타낸 그래프이다. 760torr에서 최저 진공도인 6E-4torr에 도달하기까지의 진공 압력을 시간에 따라 나타낸 것이다. 공기를 퍼징 유체로 단열시스템의 진공 환경을 조성하였을 때 760torr에서 1E-3torr 도달 시간은 29.3시간이고, 질소를 퍼징 유체를 사용하였을 때 도달 시간은 2.3시간으로 질소가 공기에 비해 상대적으로 배기 속도가 더 빠른 것을 확인 할 수 있었다. 공기에 비해 질소를 사용하였을 때, 물 분자에 더 많은 에너지를 주게 되어 물 분자 간의 결합을 깰 수 있는 충분한 에너지를 공급하게 된다(Mattox, 2010).
Fig.9의 압력 감소 데이터를 통해 진공 시스템의 효율성을 판단하기 위하여, 추가적으로 대기압(NV), 중진공(SV), 고진공(HV) 3단계의 진공 범위에서 시간에 따른 압력 변화율로 진공 시스템의 거동을 분석하였다. 진공 압력 변화율(d(logP)/dt)에 대한 식 (2)는 중진공, 고진공 영역에서의 변화를 명확하게 분석하기 위해 로그 스케일로 변환하여, 압력 변화율을 계산한다. 식 (2)에서 Ps와 Pe는 해당 배기 구간의 시작 및 종료 압력을 나타내며, Ts와 Te는 해당 압력에 도달하는 시간이다.
| (2) |
Table 3은 상기 식에 따라, 계산된 진공 압력 변화율을 나타낸 것이다. 대기압에서 중진공으로 진공 압력이 변화할 때, 질소는 공기에 비해 낮은 흡착력을 가지므로, 질소 퍼징 유체를 사용할 경우, 공기에 비해 약 101.46배(약 29배) 빠른 배기 속도를 나타냈다. 또한 중진공에서 고진공으로 변화할 때는, 질소 퍼징 유체가 진공 시스템 내부 수분의 표면 탈착을 유도하여 공기에 비해 약 101.8배(약 63배) 빠른 배기 속도를 보였다. 이후, 고진공에서는 기체의 흐름이 분자유동으로 전환되면서 배기속도가 느려지는 특성을 가지기 때문에, 질소와 공기의 배기속도가 거의 유사해지는 경향을 보였다. 따라서, 대기압, 중진공 범위에서 진공 배기 시, 결합이 약해진 물 분자들은 주입된 질소와 함께 배기 되나, 고진공으로 갈수록 상온의 질소가스만으로는 한계가 존재한다는 것을 확인하였다.
Fig. 10은 고온의 질소가스를 주입하여 배기한 결과를 나타낸 것이다. 진공단열 시스템 내부 벽면 및 단열재에 흡착된 수분을 제거하기 위해 탱크 외벽을 약 65℃로 가열하고, 2번의 질소 주입 및 배기를 수행하였다. 이는 뜨거운 불활성 기체를 활용하여 단열시스템 내부를 순환시키고, 흡착 수분을 효과적으로 탈착하기 위한 조치이다.
또한, 저진공에서는 탈가스의 탈착률(desorption rate)이 매우 낮아 가열을 통해 최저 진공도까지의 속도가 증가될 수 있도록 하였다. 또한, 재흡착되는 것을 방지하기 위하여, 액화수소 탱크 외벽의 온도를 서서히 증가시키고, 주어진 온도에서 반응성 가스의 탈착률이 배기 속도와 일치하여 평형상태에 도달하는 것을 기준으로, 1.0E-6torr의 초고진공인 최저 진공도 결과에 도달하였다.
4.2 퍼징 유체에 따른 배기 시간 및 최저 진공도
Fig. 11(a)에 공기, 질소의 배기 시간을 진공도에 따라 나타내었다. 질소를 퍼징 유체로 사용하였을 때, 배기 시간이 공기에 비해 1E-1torr일 때 약 20분 시간 차이가 발생하였고, 1E-2torr에는 4시간, 1E-3torr에는 18시간 차이가 발생하였다. 이를 통해 저진공에서 중진공으로 진공 압력이 낮아질수록 공기에 비해 질소 가스를 퍼징 유체로 사용하였을 때, 배기 시간이 확연히 줄어드는 것을 확인 할 수 있었다. Fig. 11(b)는 질소, 뜨거운 질소의 배기 시간을 진공도에 따라 나타낸 결과로, 2시간 이내에 1E-3torr 도달하고 배기 시간에 큰 차이가 없는 것을 확인할 수 있다. 저진공과 중진공에서는 진공단열 시스템 내부 공간 및 기계적 부품들에 의한 가스 포켓들에서 수분이 질소와 함께 배기 되는 것이기 때문에, 질소와 뜨거운 질소의 배기 시간에는 큰 영향을 미치지 않았다.
Table 4는 공기, 질소, 그리고 뜨거운 질소 퍼징 유체를 사용하여 고진공에서 초고진공까지 도달하는 데 소요된 시간을 비교 정리한 것이다. 각 퍼징 조건에 따라 최종 도달한 진공도와 배기 시간을 함께 제시하였다. 공기를 퍼징 유체로 사용한 경우, 6E-4 torr에 도달하기까지 약 16시간이 소요되었고, 질소 사용 시 약 4시간으로 대폭 단축되었다. 특히, 뜨거운 질소를 사용할 경우, 약 2시간 만에 9.3E-6 torr의 초고진공 영역에 도달할 수 있었으며, 이는 퍼징 유체의 온도가 진공 성능 향상에 크게 기여함을 보여준다.
따라서, 진공 단열시스템 내부의 공간 수분 및 가상 누출에 대한 영향성을 제거하기 위해서는 질소 퍼징이 배기 시간을 감소시켜 줄 수 있으나, 흡착된 수분에 대한 영향성을 제거하기 위해서는 가열하여, 뜨거운 질소가스로 진공 단열시스템 내부를 순환하여 배기하는 것이 저진공부터 초고진공까지의 배기속도 증가와 최저 진공도 도달에 적절할 것으로 사료된다.
5. 결 론
본 논문은 액화수소 저장 용기에 적용되는 진공단열 시스템의 진공 기술을 정립하기 위한 연구이다. 대기압, 중진공, 고진공까지 다양한 범위 진공도에서 실험 수행할 수 있도록 진공 절차를 정립하였고, 다양한 진공도에서 단열성능실험을 수행하는 기반을 제공하였다. 연구 결과로 획득한 내용을 아래에 정리하였다.
- • 공기를 퍼징 유체로 사용하여, 진공 실험을 수행하였을 때, 내부 유동 흐름에 따라, 대기압-저진공-고진공으로 갈수록 배기 속도가 감소하였으며, 진공 배관의 길이 영향에 따른 유동 컨덕턴스 저하 또한 실험을 통해 확인할 수 있었다.
- • 질소/공기 퍼징 유체를 비교하였을 때, 1E-3torr를 기준으로, 공기 유체에 비해 질소 유체를 퍼징 유체로 사용하여 배기하였을 때, 진공 시간 단축 효과가 92% 향상되었다.
- • 질소/뜨거운 질소 퍼징 유체 실험에서, 배기 시간의 차이는 크지 않으나 뜨거운 질소 퍼징 유체를 사용하였을 때, 탱크 벽면에 흡착된 수분의 제거로 최저 진공도가 1E-6torr 까지 도달하는 것을 확인하였다.
본 연구는 진공단열 시스템의 배기 시간을 단축시킬 수 있는 방안을 제시하여 액화수소탱크에 적용되는 진공 기술 절차 확립에 필요한 기초 자료로 활용될 수 있을 것으로 생각된다. 초고진공에서는 다른 단열 재료와 결합하였을 때 단열성능이 매우 우수하므로, 구조 단위 단열시스템의 가스켓 형상이 매우 중요한 변수가 되는데, 추후 연구에서는 초고진공에서의 극저온 유체 기화 실험을 통해 단열성능 데이터 분석 연구를 수행할 예정이다.
Acknowledgments
이 연구는 2024년도 산업통상자원부 및 산업기술기획평가원(KEIT) 연구비 지원에 의한 연구임 (RS-2024-00430799). 이 연구는 2022년도 산업통상자원부 및 산업기술평가관리원(KEIT) 연구비 지원에 의한 연구임(20017530).
References
- American Bureau of Shipping (ABS), 2023. Hydrogen Fueled Vessels. United States of America: American Bureau of Shipping.
- Chaudhari, V.D. and Desai, A.D., 2011. Performance evaluation of vacuum system: Pump-down time. International Journal of Scientific and Engineering Research, 2(11), pp.4.
- DNV GL, 2021. Pt.6 Ch.2 Sec.6: Fuel cell installations. Norway: Det Norske Veritas (Norway) and Germanischer Lloyd (Germany).
- International Maritime Organization (IMO), 2022. MSC.1/Circ. 1647: Interim guidelines for the safety of ships using fuel cell power installations. London: International Maritime Organization.
- International Organization for Standardization (ISO), 2020. ISO 21360-2: Vacuum technology — Standard methods for measuring vacuum-pump performance.
- James, E.F., 2021. Thermal Insulation Systems for Liquid Hydrogen Storage. Clean Energy Future, 37(1), pp.28-29.
-
Kameya, T., Konuma, K., Kondo, T., Matsumoto, Y., Katsumata, H., Kobayashi, T. and Fujie, K., 2014. Nitrogen purge condition for simultaneous GC/MS measurement of chemicals. Journal of Water and Environment Technology, 12(2), pp.161-175.
[https://doi.org/10.2965/jwet.2014.161]
- Korean Register (KR), 2022. GC-12-E: Guidance for Fuel Cell Systems on Board of Ships. Korea: Korean Register.
-
Mattox, D.M., 2010. Handbook of physical vapor deposition (PVD) processing. William Andrew Press, Inc.
[https://doi.org/10.1016/B978-0-8155-2037-5.00008-3]
- Nippon Kaiji Kyokai (NK), 2024. Guidelines for Ships Using Alternative Fuels (Edition 3.0). Japan: Nippon Kaiji Kyokai.
- O’Hanlon, J.F., 2003. A user's guide to vacuum technology. John Wiley & Sons Press, Inc.
- Redhead, P.A., 1968. Extreme High Vacuum. Journal of Vacuum Science & Technology, 5(4), pp.172-180.
- Senda, Y., 2010. Theoretical analysis of vacuum evacuation in viscous flow and its applications. Atmosphere, 100(100), pp.4-10.
- Statista, 2023. Hydrogen industry worldwide. [Online] Available at: https://www.statista.com/study/102263/global-hydrogen-industry/, [Accessed 02 July 2024].
- Wingrove, M., 2023. IMO guidelines coming for hydrogen-fuelled vessels. Riviera Maritime Media, 18 October. [Online] Available at: https://www.rivieramm.com/news-content-hub/news-content-hub/imo-guidelines-coming-for-hydrogen-fuelled-vessels-78168, [Accessed 02 August 2024].











